搜索
网站首页
关于我们
产品中心
补偿器
管接头
金属软管
连接器
不锈钢法兰
板把式快接
非标定制品
新闻资讯
公司新闻
行业新闻
设备一览
联系我们
Menu
产品中心
首页
>>
产品中心
>>
板把式快接
板把式快接
B型 W-KSB
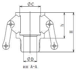
一:产品参数
产品名称: 快速接头B型 W-KSB
主要采摘:SUS304 SUS316
产品外观:金属银灰色
制造工艺:精密铸造+数控车削
二:尺寸规格
上一篇:
A型 W-KSA
下一篇:
C型 W-KSC