搜索
网站首页
关于我们
产品中心
补偿器
管接头
金属软管
连接器
不锈钢法兰
板把式快接
非标定制品
新闻资讯
公司新闻
行业新闻
设备一览
联系我们
Menu
产品中心
首页
>>
产品中心
>>
不锈钢法兰
不锈钢法兰
螺纹法兰 TR
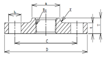
一:产品参数
产品名称:10K螺纹法兰(锻造)TR
产品外观:不锈钢金属色
制造工艺:锻打+车削
二:尺寸规格
上一篇:
盲板法兰 BL
下一篇:
带颈平焊法兰